YZS-102雙針壓力表主要用于機車車輛上用來測量液壓系統或儲氣缸的壓力,也可用于對銅合金、錫鉛合金釬焊無腐蝕性,非結晶和凝固的各種介質的壓力測量。雙針壓力表可同時測量兩個相同或不相同(兩者之差一般應不大于標度范圍上的限制的1/3)的壓力。
雙針壓力表結構原理
1、雙針壓力表由兩套各自獨立的測量系統和指示裝置等組成。
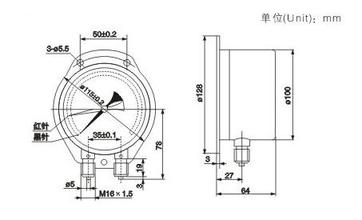
2、雙針壓力表的工作原理是基于彈性元件(測量系統中的彈簧管)的彈性變形。即在被測介質的壓力作用下,迫使兩彈簧管之末端各自產生相應的位移,借助于拉桿經此輪傳動機構的傳動并予放大,由固定于此輪軸上的紅、黑指針將兩個被測值分別在刻度盤上指示出來。

雙針壓力表主要技術指標
型號 | 精度等級 | 使用環境條件 | 溫度影響 | 測量范圍(Kpa) |
YZS-102 | 1.5 | 5~60℃,相對濕度不大于80% | 使用溫度如偏離20±5℃時,其溫度附加誤差不大于0.4%10℃ | 0~1000 0~1200 |




